Бойлеры косвенного нагрева свыше 500 литров ACV LCA 3000 TM 400 MM
Буферная емкость в вертикальном исполнении для промышленного и производственного применения ACV (АЦВ) LCA 3000 TM 400 MM — современная разработка бельгийского производителя, соответствующая самым строгим нормам качества и безопасности. Прибор оснащен серьезной защитой от образования коррозии в виде магниевого анода и покрытия из специального грунта.
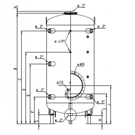
Особенности представленной модели буферной емкости от бельгийского бренда ACV:
- Бак-накопитель (для ГВС)
- Изготовлен из углеродистой стали с эмалированным покрытием внутри. Внешне окрашен коррозионнозащитным грунтом
- Высококачественная теплоизоляция толщиной 100 мм
- В комплект поставки входят от 2 до 3 магниевых анодов (в зависимости от модели).
- Монтируются на месте
- Ревизионный фланец диаметром 110мм или 400мм (модель TP или TM, соответственно)
- Погружные гильзы (1/2”) для темп. датчиков – опция
- Подключение ТЭН от 3 кВт до 60 кВт – опция.
ACV LCA – это огромное семейство буферных емкостей, применяемых в системах горячего водоснабжения и отопления для накопления тепла и распределения его с максимальной оптимальностью. Все баки исполнены из качественной углеродистой стали, есть агрегаты с эмалевым внутренним покрытием для использования в системах с санитарной водой. Комплектацией предусмотрены магниевые аноды для защиты от коррозии, нагревательный элемент в комплект не входит.
Страна| Бельгия | |
| Объем, л | 2500 |
| Установка | Напольная |
| Покрытие бака | Эмаль |
| Max темп. нагрева, °С | +95 |
| Габариты (ВхШхГ),мм | 2294x1400x1400 |
| Вес, кг | 586 |
| Гарантия | 3 года |
| Основные | |
|---|---|
| Производитель | ACV |
| Способ нагрева | Косвенный |
| Вид водонагревателя | Бойлер |
| Пользовательские характеристики | |
| propertys | Страна::Бельгия##Объем, л::2500##Установка::Напольная##Покрытие бака::Эмаль##Max темп. нагрева, °С::+95##Габариты (ВхШхГ),мм::2294x1400x1400##Вес, кг::586##Гарантия::3 года |
- Цена: 7 660 200 Тг.





